|
|
首頁-水環式真空泵型號-SK直聯型水環式真空泵SK直聯型水環式真空泵
一、SK直聯型水環式真空泵用途及使用范圍:
SK直聯型水環式真空泵是用來抽吸空氣和其它無腐蝕性、不溶于水、不含有固體顆粒的氣體,以使在密閉容器中形成真空。吸入氣體中允許含少量液體。SK直聯型水環式真空泵廣泛應用于機械、石油、化工、制藥、食品、陶瓷、制糖、印染、冶金等行業,該型號真空泵亦可用于大型水泵的引水。
二、SK直聯型水環式真空泵工作原理:
如圖(一)所示,葉輪偏心地安裝在泵體內,泵起動時、向泵內注入一定高度的水,當葉輪旋轉時,水受離心力的作用而在泵體內壁形成一旋轉水環,水環下部內表面與輪轂相切,沿箭頭方向旋轉時,在前半轉過程中,水環內表面逐慚與輪轂脫離,因此在葉片間形成空間并逐漸擴大,內部壓力低于入口處壓力,此時吸入氣體。在后半轉過程中,水環內表面逐漸與輪轂靠近,葉片間的空間容積縮小,氣體壓力高于大氣壓時被排出;如此葉輪反復工作,泵就連續不斷地抽吸氣體。
由于在工作過程中,水會隨工作時間的延續而發熱,同時部分水會與氣體一起被排出,因此,工作過程中須不斷地向泵內供給冷水,以冷卻和補充泵內消耗的水。

圖(一):SK型直聯水環式真空泵工作原理圖
1、吸氣口2、水環3、排氣閥4、排氣口5、葉輪 |

SK-0.15結構圖
1、泵蓋2、圓盤3、葉輪4、緊固螺栓5、泵體6、填料密封
7、檔圈8、電機9、進水嘴 |

SK-0.4/0.8結構圖
1、圓盤2、泵蓋3、進水管4、葉輪5、橡膠球6、擋板7、泵體
8、封液環9、填料10、填料壓蓋11、電機12、底盤13、擋水圈 |

SK-1.5B結構圖
1、泵蓋2、圓盤3、葉輪4、緊固螺栓5、泵體6、機械密封7、檔圈
8、電機9、真空調節閥10、進水嘴 |
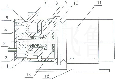
三、SK直聯型水環式真空泵結構說明:

圖(二):SK直聯型水環式真空泵結構圖
| 1、圓盤 |
2、泵蓋 |
3、進水管 |
4、葉輪 |
5、橡膠球 |
6、擋板 |
7、泵體 |
| 8、封液環 |
9、填料 |
10、填料壓蓋 |
11、電機 |
12、底盤 |
13、擋水圈 |
SK直聯型水環式真空泵的結構如圖(二)所示:主要是由泵蓋、葉輪、泵體組成,泵體上部有進排氣口法蘭,軸偏心裝在泵體內,葉輪用平鍵固定于軸上,葉輪與泵蓋及圓盤間的間隙,用泵體和圓盤之間間的墊子來調整,此間隙決定氣體在泵內由進氣口至排氣口流動中損失的大小。
SK直聯型水環式真空泵填料裝在泵體內,密封水經泵體上的針孔流入填料中,葉輪形成水環所需的補充水經由泵體上的彎頭供給,它可與自來水或汽水分離器聯在一起,供給循環水。
在SK直聯型水環式真空泵圓盤上排氣孔下面有幾行圓孔,用橡皮球閥關閉,這些孔的作用是當葉片間氣體壓力達到排氣力時,在排氣口之前就將氣體自動放出,因此減少因氣體壓力過大而消耗功率。
四、SK直聯型水環式真空泵的主要技術指標:
| 型號 |
最大氣量
M3/MIN |
真空度450MMHG
時氣量M3/MIN |
極限真空
MMHG |
轉速
R.P.M |
電機功率
KW |
水耗量
L/MIN |
| SK-0.4 |
0.4 |
0.36 |
700 |
2860 |
1.5 |
4-8 |
| SK-0.8 |
0.8 |
0.75 |
700 |
2860 |
2.2 |
5-10 |
| SK-1.0 |
1.0 |
1.0 |
700 |
2860 |
3.0 |
6-8 |
| SK-1.5B |
1.5 |
1.35 |
700 |
2860 |
4.0 |
8-12 |
注:SK直聯型水環式真空泵性能表中數據在下列條件下得出:
1、大氣壓力0.1013Mpa(760mmHg)
2、進水溫度15℃
3、吸入空氣溫度20℃
4、空氣相對濕度70%
5、性能允許偏差±5%五、SK直聯型水環式真空泵的性能曲線圖:

六、SK直聯型水環式真空泵汽水分離器及安裝說明:

圖(三)SK直聯型水環式真空泵汽水分離器及安裝說明圖 (1)用膠管或塑料管將水咀(見圖二中12)與自來水連接進行供水,并在此供水管路上安裝水閥調節水量。(供水量的大小對其性能有直接的影響)
(2)真空泵用來作水泵引水用時,應將吸氣口聯接在水泵的排水口與管路閥門之間。
(3)從電機端看泵為逆時針旋轉。(左邊為吸氣口,右邊為排氣)。SK-1.5B為順時針旋轉。
(4)真空泵吸氣管道不可有漏氣現象,其地基尺寸以安裝圖或以實物測量進行安裝。
(5)若安裝汽水分離器,可參看圖(三)。
七、SK直聯型水環式真空泵設備安裝: 泵安裝前,轉動電機風扇葉片,以證實是否有卡住現象(泵運到安裝地點時包裝損壞或存放受潮,以及泵在出廠后八個月再行安裝者,應在安裝前安部拆開檢查清理)。在供水管路上須安有閥門,以便調整供水量,供水壓力宜在0.1MPa左右。
八、SK直聯型水環式真空泵起動及停車:
(1)起動:
經過長期停車的泵在開動以前,必須用手轉動聯軸器數周,以便證實沒有卡住或損傷現象。
1.關閉進氣管上的閘閥。
2.如果排氣管上裝有閘閥也應將其關閉。
3.向填料函和氣水分離器內注水。
4.當氣水分離器往外溢水時,開動電動機。
5.全開由氣水分離器向泵給水管路上的球形閥。
6.打開排氣管上的閘閥。
7.打開進氣管上的閘閥。
8.用球形閥調整由氣水分離器向泵送水的水量,以便在所要求的技術條件下下運轉,使功率功耗最小。
9.調整由進水管向氣水分離器的送水量,以便用最小的水量消耗,保證泵所要求的技術規范。
10.調整向填料函的送水量,以便用最小的水量消耗保證填料函的密封性,真空泵在極限真空度下工作時,由于泵內產生
物理作用而產生爆炸聲,但功率消耗量并不增大。
隨著功率消耗的提高而產生的爆炸聲,表示泵發生了毛病,此時泵應停車。
(2)停車,車按以順序:
1.關閉進氣管上的閘閥。
2.關閉排氣管上閘閥。
3.關閉電動機。
4.停止向填料、氣水分離器內注水。
5.當氣不分離器溢水管停止向外溢水后,關閉向泵注水管路。
6.上緊球形閥。
7.如泵停車時,必須擰開泵及氣水分離器上的管堵把水放凈。
九、SK直聯型水環式真空泵維護:
1.應定期的壓緊填料,如填料因磨損而不能保證所需要的密封性時,應換新填料,填料不能壓的過緊,正常壓緊的填料允許水成滴漏出,其量不得太多,應用油浸的石棉繩作填料。
2.經常檢查滾球軸承的工作和潤滑情況。
3.正常工作的滾動軸承,其溫度比周圍溫度高15℃~20℃,最高不允許超過55℃~60℃,正常工作的軸承每年應裝油3~4次。每年至少清洗軸承一次,并將潤滑油全部更換。
十、SK直聯型水環式真空泵的拆卸與裝配:
1.SK直聯型水環式真空泵拆卸:
拆卸前將泵中水放出,如密封墊損壞,需要更換同樣厚度的密封墊。
(1)松開泵蓋與泵體間的緊團螺絲;
(2)取下泵蓋及圓盤;
(3)松開葉輪緊固螺絲;
(4)取出葉輪;
(5)取下平鍵;
(6)松開泵體與電機法蘭緊固螺絲;
(7)取下泵體;
(8)取出孔用擋圈;
(9)取出油封。
2.SK直聯型水環式真空泵裝配
(1)裝配前應將另件清理干凈,所有配合面,接觸面及螺紋處擦凈涂以潤滑油。裝配順序與拆卸順序相反。
(2)裝配時應保證圓盤與葉輪間的間隙.
| 型號 |
泵蓋、圓盤與葉輪端面間隙(mm) |
| SK-0.15 |
0.08-0.10 |
| SK-0.4 |
0.08-0.10 |
| SK-0.8 |
0.08-0.10 |
| SK-1.5B |
0.08-0.10 |
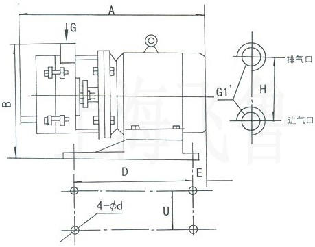
十一、SK直聯型水環式真空泵外形及安裝尺寸:

圖(四)SK直聯型水環式真空泵外形及安裝尺寸圖
| 型號 |
A |
B |
C |
D |
E |
F |
G |
| SK-0.15 |
400 |
200 |
125 |
100 |
95 |
85 |
10 |
| SK-0.4 |
440 |
250 |
130 |
245 |
54 |
80 |
16 |
| SK-0.8 |
475 |
250 |
130 |
270 |
54 |
80 |
16 |
| SK-1.5B |
501 |
260 |
190 |
140 |
20 |
100 |
12 |
相關產品連接:
2BV型水環式真空泵 2BEA型水環式真空泵 2SK型水環式真空泵 2SKF型水環式真空泵
SZB型水環式真空泵 |